3D Drawings
The widespread use of 3D CAD has greatly improved the efficiency of design work in the manufacturing industry. However, 3D data is still not fully utilized throughout the manufacturing processes, and many processes still rely on 2D drawings. The use of 3D drawings can transform manufacturing processes that relied on 2D drawings into more efficient and cost-effective 3D-based processes.
Common Challenges
- Downstream departments do not have access to 3D CAD and must rely on 2D drawings.
- Although 3D CAD is used for design, 2D drawings are required to communicate design information to downstream processes, resulting in extra work in drawing creation, distribution, and communication.
- In communication using 2D drawings, the quality of work can vary depending on ability and experience. It is also prone to misunderstandings and human error.
3D Drawings Overview
Although 3D design is becoming mainstream in the design department, 3D data is not fully utilized in the manufacturing process in many manufacturing companies, and much work is still done using 2D drawings. Designers must create 2D drawings in addition to 3D designs as a means of communicating information to other departments, which requires extra man-hours. In addition, 2D-based information from each department does not cross departmental boundaries, resulting in data fragmentation.
With Lattice Technology, lightweight XVL can be used as 3D drawings to streamline the entire manufacturing process. By distributing XVL 3D drawings containing PMI and other manufacturing information to downstream processes, design departments are freed from the traditional bottleneck of 2D drawing creation. Furthermore, downstream processes that do not have 3D CAD can work more efficiently with the XVL 3D drawings they receive. In addition, 3D data from each department can be reused across departments to improve the efficiency of the entire manufacturing process.

Key Benefits of the Lattice Technology Solution
No Need for a CAD System to View 3D Drawings
XVL 3D drawings can reproduce 3D annotations such as PMI and drawing views that 3D CAD has. XVL can also retain design information such as CATIA V5 geometrical sets, so that the drawing can be viewed in the same way as 3D CAD.
By distributing 3D drawings in XVL, 3D design data can be easily accessed and utilized even in downstream processes where 3D CAD is not available.
Use XVL 3D Drawings as a Collaboration Tool
XVL allows downstream to add manufacturing information to 3D drawings without modifying the original CAD data. For example, dimensions and cross sections can be added, manufacturing feedback can be stored in the 3D drawing. Manufacturing information added to XVL can be saved as snapshots and easily shared with stakeholders, facilitating collaboration using 3D drawings.
Improve Manufacturing Processes with 3D Drawings
With XVL, 3D drawings can be used effectively in downstream processes to improve operations. For example, inspection instructions can be automatically created using PMI data, and 3D work instructions can be created by adding process information to 3D data. By utilizing 3D drawings, manufacturing processes can be improved by automating operations and reducing human errors.
Additional Benefits of the Lattice Technology Solution
Semantic PMI (CATIA V5, Creo Parametric and NX)
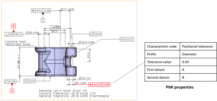
CAD PMI can be converted to XVL as semantic PMI, maintaining the connection between the PMI and related information in 3D. This allows you to work with a more accurate understanding of the design intent. Also, since each PMI holds information as a property, that information can be retrieved from 3D and used.

Geometrical Set Tree (CATIA V5)
Users of CATIA V5 can utilize the geometrical set in XVL. This allows users to navigate their design data on the same geometry sets as CATIA V5, allowing them to validate their 3D drawings more efficiently.

Publish to 2D PDF
With XVL 3D drawings, you can export the views to PDF. This enables you to easily generate 2D drawings as required.


